Infos
- Für italienische Traktoren.
- Gehäuse Kunststoff mit Kabeltülle.
- Kabelanschluss mit 5 mm mit Kabelschuh. (E1 120 02)
- Bestückung: 12V
- 1 x 21W BA 15s 12498
- 1 x 5W BA 15s 12821
BLL = Blinker
STL = Standlicht
Technische Daten
| Name | Wert |
|---|---|
| % SALE % | Nein |
| Blinker | mit |
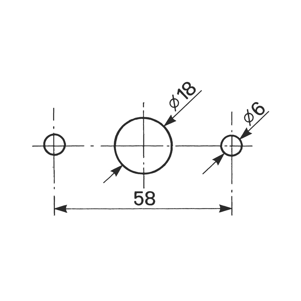
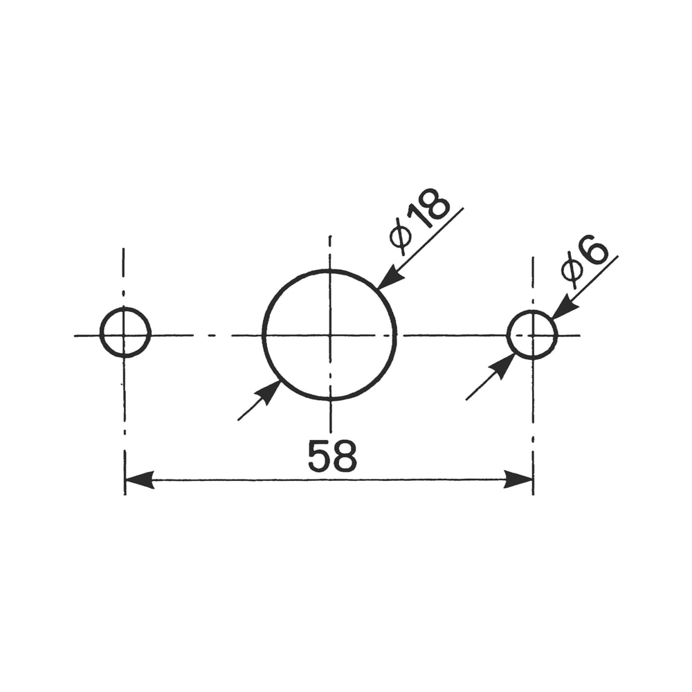
| Breite (mm) | 120 |
| Höhe (mm) | 80 |
| Marke | COBO |
| Standlicht | mit |
| Tiefe (mm) | 56 |
| Typ | 03.104.000.01 |



