Infos
Zur Lösung schwieriger Montageprobleme, leicht auswechselbar
Geschmiedet
Chrom-Vanadium-Stahl
Matt verchromt
Mit Stiftsicherung
Max. Dauerbelastbarkeit Verbindungsvierkant gem. DIN EN ISO 6789:2003 bzw. max. Belastung der Aufnahme
Geschmiedet
Chrom-Vanadium-Stahl
Matt verchromt
Mit Stiftsicherung
Max. Dauerbelastbarkeit Verbindungsvierkant gem. DIN EN ISO 6789:2003 bzw. max. Belastung der Aufnahme
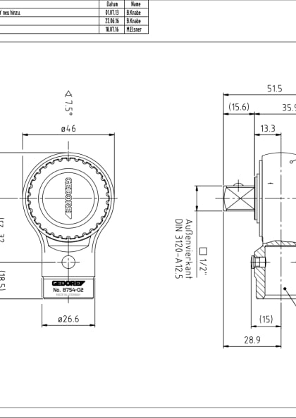
- Antriebsaufnahme, Zapfen-Ø: 16 mm
- Antriebstyp/Antrieb: Umschaltknarre
- Antriebsvierkant [metrisch]: 12,5 mm
- Antriebsvierkant [zöllig]: 1/2 Zoll
- Dauerbelastbarkeit: 1/2" = 340 N·m
- Inhalt (Anzahl Stück): 1 tlg.
- Material: Chrom-Vanadium-Stahl
- Netto-Gewicht [g]: 270 g
- Netto-Gewicht [kg]: 0,27 kg
- REACH Registrierung vorhanden: Nein
- Rückschwenkwinkel: 8 °
- Stichmass [metrisch]: 32 mm
- Ursprungsland: Deutschland
- Zolltarifnummer: 82079099
Technische Daten
| Name | Wert |
|---|---|
| % SALE % | Nein |
| Antriebsvierkant (Zoll) | 1/2 |
| Marke | GEDORE |
| Typ | 8754-02 |
| Ø Zapfen (mm) | 16 |
Datenblatt und Downloads
Verkaufs-Prospekt


