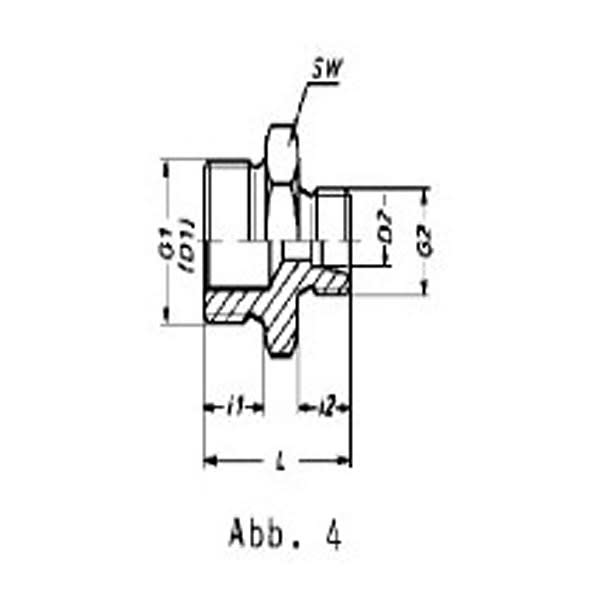
Gerade Verbindungsstutzen

Kurzinfos

Artikel

Spezifikationen

  • % SALE % Nein
  • Marke WIRA

Datenblatt und Downloads